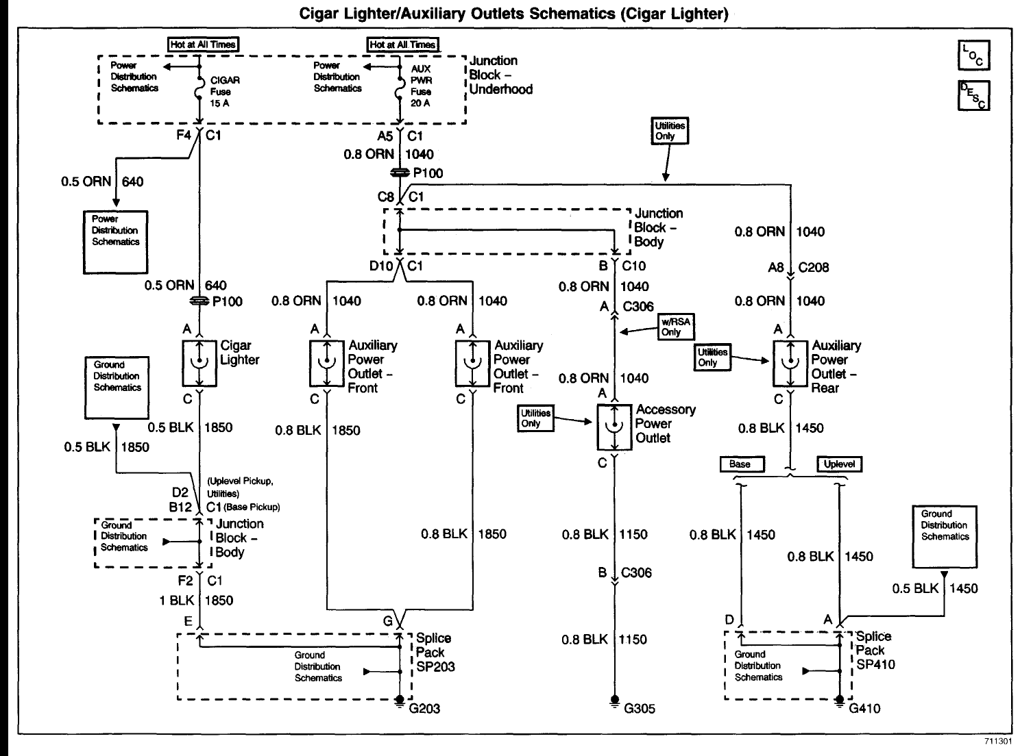
2000 Chevy Silverado 1500 Wiring Diagram / 2000 Chevy Silverado 1500 Wiring Diagram Lbz Engine Diagram Landrovers Yenpancane Jeanjaures37 Fr : I have no brake lights so i checked only fuse labeled brake and replaced.. However, this diagram is a simplified version of this structure. Assignment of the fuses (1999). Heat is not working on my 2000 chevy impala. Whatever type of chevrolet silverado 1500 you own, haynes have you covered with comprehensive guides that will teach you how to fully maintain and service your vehicle. Check this for 2000 chevrolet silverado c1500 car stereo wiring diagram.
This typical circuit diagram of the ignition coil, ignition control module, camshaft and crankshaft position sensors applies to the 1996, 1997, 1998, 1999 chevrolet/gmc 1500, 2500, and 3500 pick ups equipped with a 4.3l v6, or a 5.0l v8, or a 5.8l v8 engine. Chevy truck 1965 engine compartment wiring diagram 151 kb. Black car radio illumination wire: Check this for 2000 chevrolet silverado c1500 car stereo wiring diagram. Car radio battery constant 12v+ wire:
                                                      
Yellow car radio ground wire:
Where would i get a 2001 wiring diagram for a silverado chevy truck? Assignment of the fuses (1999). Yellow car radio ground wire: Lift the cover for access to the fuse/relay block. Swapped out doors on my '06 chevy silverado 1500 v8 5.3l 4x4 automatic transmission. Chevrolet 2001 1500 wiring diagram chevrolet get free image about. Black car radio illumination wire: Chevy 1500 wiring diagram 2000 data leader agree vivarelliauto it silverado engine schematic male visit a aliceviola ignition full version hd quality acsawiring here is a picture gallery about 2000 chevy silverado wiring diagram complete with the description of the image, please find the image you need. A buick dealership may also be able to give you a wiring diagram for free. Chevy silverado 1500 4.8l / 5.3l 2000, dashpaq™ tuner kit by superchips®. Chevrolet silverado 1500, chevrolet silverado 2500. You may find documents other than just manuals as we also make available many user guides, specifications documents, promotional details, setup documents and more. See more images and ideas about chevy truck wiring diagram, 2004 chevy silverado 1500, engine wiring harness.
Make absolutely sure you put the circuit breaker in so you don't have an unprotected circuit and potential for a fire. 2000 chevy silverado engine diagram chevrolet silverado 1500 questions power window problems cargurus. And would like to share them, please send to chevymanuals@yahoo.com. Light duty full size silverado/sierra truck electrical manuals. I have no brake lights so i checked only fuse labeled brake and replaced.
                                      
                 
Car radio battery constant 12v+ wire:
Orange car radio accessory switched 12v+ wire: Gray car stereo dimmer wire: Install 2000 chevy silverado power window schematics toyskids co. Whatever type of chevrolet silverado 1500 you own, haynes have you covered with comprehensive guides that will teach you how to fully maintain and service your vehicle. Discover best chevy silverado wiring diagram images and ideas on bing. There's two variations of the silverado from this generation, including the early models from 1999 onward. Wiring diagrams, spare parts catalogue, fault codes free download. The repair manual for a chevrolet silverado 1500 outlines the procedures best followed in order to keep the vehicle running smoothly. Here is a diagram for power windows for your truck. Complete coverage for your vehicle. I have no brake lights so i checked only fuse labeled brake and replaced. These are also known as the c1500 or 2500 trucks, and they use a different wiring diagram to install your aftermarket stereo. In the diagram for stop lamp switch, the top wire is voltage to the stop lamp switch, hot all the time and fuse protected.
Chevrolet wiring diagram v8 1959 electrical system 189 kb. Whether your an expert chevrolet silverado 1500 mobile electronics installer, chevrolet silverado 1500 fanatic, or a novice chevrolet silverado 1500 enthusiast with a 2004 chevrolet silverado 1500, a car stereo wiring diagram can save yourself a lot of time. Door latch diagram for 2000 chevrolet silverado. This typical circuit diagram of the ignition coil, ignition control module, camshaft and crankshaft position sensors applies to the 1996, 1997, 1998, 1999 chevrolet/gmc 1500, 2500, and 3500 pick ups equipped with a 4.3l v6, or a 5.0l v8, or a 5.8l v8 engine. Be sure to consult your owner's manual or the diagrams on the underside of the fuse if your chevy silverado isn't producing enough power to run everything in it, something may be wrong.
                                      
                 
This typical circuit diagram of the ignition coil, ignition control module, camshaft and crankshaft position sensors applies to the 1996, 1997, 1998, 1999 chevrolet/gmc 1500, 2500, and 3500 pick ups equipped with a 4.3l v6, or a 5.0l v8, or a 5.8l v8 engine.
This typical circuit diagram of the ignition coil, ignition control module, camshaft and crankshaft position sensors applies to the 1996, 1997, 1998, 1999 chevrolet/gmc 1500, 2500, and 3500 pick ups equipped with a 4.3l v6, or a 5.0l v8, or a 5.8l v8 engine. 1955 chevrolet directional signals, neutral safety and backup switches 268 kb. Check this for 2000 chevrolet silverado c1500 car stereo wiring diagram. And would like to share them, please send to chevymanuals@yahoo.com. Chevy 1500 wiring diagram 2000 data leader agree vivarelliauto it silverado engine schematic male visit a aliceviola ignition full version hd quality acsawiring here is a picture gallery about 2000 chevy silverado wiring diagram complete with the description of the image, please find the image you need. Black car radio illumination wire: Lift the cover for access to the fuse/relay block. The diagram provides visual representation of a electrical arrangement. Make absolutely sure you put the circuit breaker in so you don't have an unprotected circuit and potential for a fire. See more images and ideas about chevy truck wiring diagram, 2004 chevy silverado 1500, engine wiring harness. Be sure to consult your owner's manual or the diagrams on the underside of the fuse if your chevy silverado isn't producing enough power to run everything in it, something may be wrong. Power level 1 (performance) : Heat is not working on my 2000 chevy impala.